| 品牌: | 智远 | 型号: | XCD32F4Z1D1/K1P1+FJDP1线簧孔大电流连接器 |
|---|---|---|---|
| 应用范围: | 电缆 | 种类: | 插头/插座 |
| 接口类型: | AC/DC | 加工定制: | 否 |
| 支持卡数: | 四合一 | 读卡类型: | Mini SD |
| 形状: | 圆形 | 制作工艺: | 熔接 |
| 特性: | 防水 | 工作频率: | 低频 |
| 接触件材质: | 铜合金 | 绝缘体材质: | 高温PV |
| 芯数: | 4 | 针数: | 9mm |
| 线长: | 0(mm) |
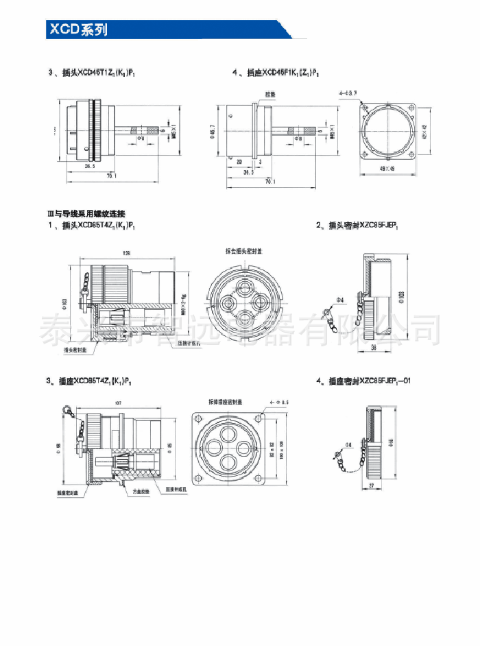
该航空插头圆形,线簧插孔,接触电阻小,不容易打火花,插针7.5mm粗,额定电流可达130A,尾部有夹线板式,防水夹线板式,可以满足客户在室外使用。









